Un circuit electric este
o combinație de un număr de surse și consumatori conectate într-o manieră
oarecare. Circuitul electric poate fi simpli, un circuit constând dintr-un bec
și o baterie, sau poate fi complex, un circuit dintr-un televizor sau
calculator. Oricât de complex sau complicat ar fi circuitul acesta se supune
unor reguli simple într-o manieră predictibilă. Odată ce regulile sunt înțelese
bine orice circuit poate fi analizat.
Toate circuitele
electrice/electronice îți obțin energia de la o sursă de curent continuu (
D.C.) sau de la o sursă de curent alternativ ( A.C ). Pornind de la această
afirmație putem spune că avem două feluri de circuite: de curent alternativ și
de curent continuu , asta din punct de vedere al sursei de alimentare. Între
ele sunt diferențe fundamentale dar legile, teoremele și regulile pe care le știm
pentru circuite de curent alternativ ( A.C ) sunt valabile și pentru circuite
de curent continuu ( D.C ).
Circuite serie
Două elemente sunt în
serie dacă sunt conectate într-un singur punct. Un circuit serie este construit
din conectarea diverselor elemente de circuit în serie ca în figura următoare:
În acest circuit curentul I părăsește terminalul +
( plus ) al sursei E, trece prin
rezistoarele R
1,2,3 și se întoarce la terminalul – (minus ) al
sursei E.
În circuitul din figura
alăturată se observă că sursa de tensiune este legată în serie cu R1
, R1 este în serie cu R2
, R2 este în serie cu R3 , R3 este în serie cu
E.
Examinând mai atent acest circuit observăm că I ( curentul ) nu părăsește
această conexiune, rezultând următoarea observație :
Într-un circuit serie curentul este același în
orice punct.
Gruparea rezistoarelor în serie
Aproape orice circuit mai complicat se poate simplifica. Vom analiza cum
putem simplifica un circuit constând dintr-o sursă de tensiune în serie cu
câțiva rezistori.
Două sau mai multe
rezistoare sunt conectate în serie dacă sunt plasate pe aceiași ramură de rețea
iar între ele nu sunt noduri de rețea.
Am văzut în capitolele
precedente câteva legi și anume Kirchhoff și Ohm.
În figura noastră de mai
sus, avem un circuit închis în care sursa de tensiune va genera un curent I
prin întreg circuit. Acest curent în schimb va produce o cădere de tensiune pe
fiecare rezistor în parte.

Aplicând teorema lui
Kirchhoff ( teorema căderilor de tensiune ) vom avea :
Dacă substituim , R1+R2+R3 = RT , RT = rezistența echivalentă , schema se va transforma în :
Ex: Determinați rezistența totală pentru următoarele
figuri:
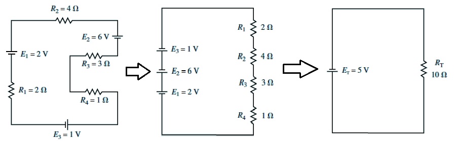
Să luăm următoarea schemă:
Exemplu:
Determinați:
a.
Rezistența totală
b.
Curentul ce circulă
prin circuit, I.
c.
Căderea de tensiune
de pe fiecare rezistor
d.
Puterea disipată de
fiecare rezistor
e.
Puterea livrată de
sursa de tensiune
f.
Verificați dacă suma
puterilor disipată de fiecare rezistor este egală cu puterea livrată de sursa
de tensiune.
Exemplu: